德国imc测试测量( imc Test&Measurement GmhH),一直致力于为多通道应力应变测量场景提供多种产品组合。其中8通道便携式动态应变仪(imc SGT-C8),采用共享软硬件平台理念设计,同步采集电压、电流、桥路应变等模拟信号,通道扩展方便,功能丰富!可广泛地应用在土木工程、特大桥梁测试与监测;航空航天、兵器、船舶的力学性能测试与疲劳分析;汽车、高铁/轻轨列车的结构力学测试;机械制造性能检测,以及大型结构健康监测等。
1
小身材,大功用
8通道、高动态、高效便携、灵活组合
无需PC,可独立运行,内建高精度信号调理,应变(全桥/半桥/1/4桥)、电压、电流,常见传感器均适配。400kHz总采样率,系统精度> 0.1%,中速采样500Hz/ch 到高速采样100kHz/ch可选。机载存储,GPS定位,交直流供电;小巧便携,适合车载、机载或外场测试;土木工程长期测试任务亦适用。

2
实时应变花计算
支持 0°/45°/ 90°不同Rosette应变花的实时应力计算,无需成为业内专家,也能快速测出应力。

3
平衡范围宽,10倍于测量范围
平衡补偿范围可以达到输入范围的若干倍,如果因为残余应力等原因造成的初始应变值超出输出范围设置,只要提高输入范围即可。而imc应变量程最高可达百万微应变。

4
桥路补偿电阻120Ω/ 350Ω 软件可选
针对1/4桥路,内置桥路补偿电阻,可以通过软件快速选择120Ω或350Ω,操作方便。

5
触发记录、变速记录
方便长期监控,减少数据量
每个测量通道,都有自己的监控通道,方便设置信号采集的预触发条件。imc特色实时压缩记录,可根据信号变化快慢自动改变采样速度,变化小记录少,变化快记录密,有效缩减数据记录量,适合土木,外场等长期监控应用。

6
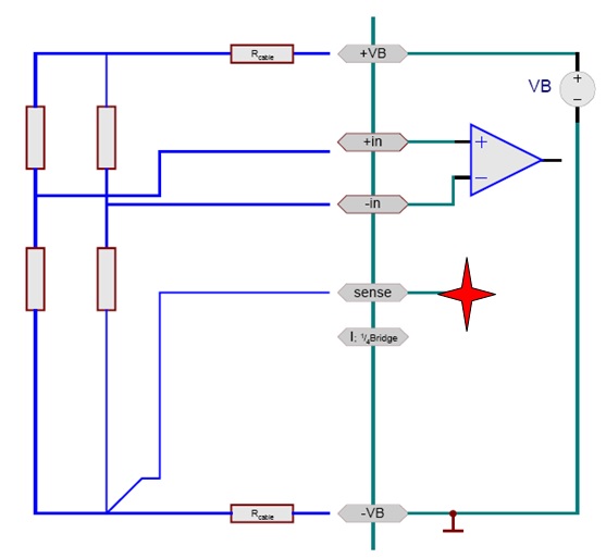
可补偿导线电阻
桥路测量通过“Sense”的端子,可以敏感捕捉线阻造成的电压降。而这种电压降会造成测量结果的错误。Sense端可以把电压降反馈给系统,使系统适当提高激励电压,修正桥路输出。

7
典型应用:
- 机翼末端组件测试
- 风机叶片疲劳分析
- 高铁/轻轨列车的结构力学测试
- 特大桥梁测试与监测
- 整车车身刚度测试与疲劳分析
- 工程机械力臂应力测量与分析
- 机械制造性能检测
- 大型结构健康监测
- 船体结构应力长期监控



